| Product Description
OPR-2600LB-61 is our specialty products that specially developed for the CATV and satellite direct TV transmission in one network. With compact and reasonable internal circuit structure and excellent performance, is compatible with FTTxPON technology. Realize the integration of Analog TV, Digital TV (DBS-C, DBS-T) and Satellite TV.
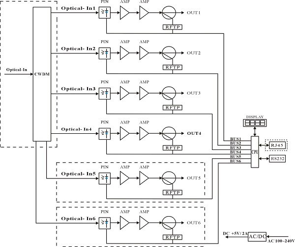
OPR-2600LB-61adopts 1U 19” standard rack. The microprocessor controls all the working parameters. LCD on the front panel provides the status display and fault diagnosis. With standard RJ45 communication interface and SNMP network management function.
Technique Parameter
|
Item |
Unit |
Indexes |
Remark |
|
Optical Characteristics |
|
Operating Wavelength |
nm |
1260~1620 |
Or CWDM |
|
Responsivity |
A/W |
≥0.9 |
|
|
Optical Return Loss |
dB |
≥50 |
|
|
Optical Connector Type |
|
SC/APC |
Specified by the user |
|
Optical Receiving Power |
dBm |
-13 ~0 |
|
|
RF Characteristics |
|
Operating Bandwidth |
MHz |
50 ~2400MHz |
|
|
Total Output Power |
dBm |
-20 |
|
|
Flatness |
dB |
±1.5 |
50~2400MHz |
|
Output Return Loss |
dB |
≥12 |
50~2400MHz |
|
C/IM3 |
dB |
≥55 |
Note 1 |
|
Output Impedance |
Ω |
75 |
|
|
RF connector |
Ω |
F5 terminal |
|
|
Link Performance |
dBuV |
≥81 |
Note 2 |
|
General Characteristics |
|
Operating Voltage (AC) |
V |
100-240 |
|
|
Consumption |
W |
≤8 |
|
|
Operating Temperature |
°C |
-20 ~+50 |
|
|
Storage Temperature |
°C |
-40 ~+85 |
|
|
Dimension (W)×(D)×(H) |
(mm) |
1U 19 inch
483*395*44 |
|
Block Diagram

|