| Product Description
OPT-2600LB-61 adopts 1U 19” standard rack, microprocessor controls the working parameters, front panel LCD provides status display and fault diagnosis. Standard RJ45 communication interface, with SNMP network management function. Built-in perfect laser APC and ATC control circuit to ensure the long working life and high reliable work of the laser.
SAT-IF adopts high linearity IF driving amplifier circuit with AGC function to ensure the high quality transmission of Analog TV, Digital TV (DBS-C, DBS-T) and Satellite TV in one optical fiber.
Technique Parameters
|
Item |
Unit |
Indexes |
Remark |
|
Optical Characteristics |
|
Laser Type |
|
Isolated DFB |
|
|
Optical Wavelength |
nm |
1510, 1530, 1550, 1570, 1590, 1610 or specified by the user |
Or CWDM |
|
Optical Output Power |
mW |
1, 2, 3 |
Specified by the user |
|
Optical Return Loss |
dB |
50 |
|
|
Optical Connector Type |
|
SC/APC |
Specified by the user |
|
RF Characteristics |
|
Input Impedance |
Ω |
75 |
|
|
RF Connector |
|
F5 terminal |
Specified by the user |
|
Working Bandwidth |
MHz |
45~2400 |
|
|
Input Range |
dBuV |
51~71 |
Input level (AGC attenuation=0) |
|
Flatness |
dB |
±1.5 |
50~2400MHz |
|
|
dB |
12 |
50~2400MHz |
|
Input Return Loss |
|
≥55 |
Note 1 |
|
C/IM3 |
dB |
-7~+7 |
Note 2 |
|
General Characteristics |
|
Serial Interface |
|
RS232 |
|
|
SNMP network management interface |
|
RJ45 |
Optional NMS |
|
Power Supply (AC) |
V |
100~240 |
Optional dual power |
|
Consumption |
W |
16 |
|
|
Relative Humidity |
% |
5~95 |
|
|
Working Temperature |
°C |
-20~50 |
|
|
Storage Temperature |
°C |
-40~60 |
|
|
Dimension (W)*(D)*(H) |
mm |
1U 19 inch
483*395*44 |
|
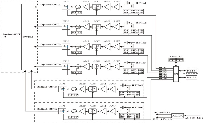
Block Diagram
 |