DCM
 
 
Tel: +86-571-86625003
Email1: info@optictrans.com
Email2: kally@optictrans.com
WhatsApp: +86 13967163428
Skype: hightech086
 
 
Keyword:
 
  Products
OPR-1004SJL-A-I Outdoor optical workstation 2RX 2TX Module
   Content
Description
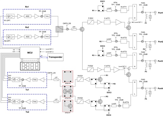
OPR-1004SJL-A-I outdoor optical workstation can be configured 2 forward optical receiver modules, 2 reverse optical transmitter modules, 1 class II transponder module and 2 switching power supply modules at most. Adopts advanced optical AGC technology, the output level and output slope both adopt the electric adjust control circuit. Add LED digital tube display function, can output 4-way forward signal (up to 106dBμV or more) at most.
 
Performance feature
(1) Forward optical receiving part adopts advanced optical AGC technology, the input optical power range extended to -8~+2dBm.
(2) Forward optical receiving part: RF operating bandwidth extended to 1GHz, each way maximum output level up to 112dBμv.
(3) Full electric adjust attenuation and equilibrium control circuit, and achieve remote operation by NMS.
(4) RF amplifier part adopts quick plug modular design, can quickly replace RF amplifier module without dismantling the RF cable connector.
(5) Built-in perfect condition monitoring circuit, and support standard class II network management transponder.
(6) Reserved C-CMTS forward and reverse RF interface, perfect support DOCSIS EOC networking scheme.
 
Technical data
Item
Unit
Performance Parameters
Forward Optical Receive Part
Optical Parameters
Optical AGC control range
dBm
-8 ~ +2
Optical Return Loss
dB
>45
Optical Receiving Wavelength
nm
1100 ~ 1600
FC/APC, SC/APC or specified by the user
Optical Fiber Type
Single mode
Link Performance
C/N
dB
≥ 51
EQ 8dB
C/CTB
dB
≥ 65
C/CSO
dB
≥ 60
RF Parameters
Frequency Range
MHz
45/87 ~1003
Flatness in Band
dB
±0.75
Rated Output Level
dBμV
≥ 106 (Four-way splitter output);
≥ 110 (Two-way independent output)
Max Output Level
dBμV
≥ 112
Output Return Loss
dB
(85 ~550MHz) ≥16 / (550~1000MHz) ≥14
Redundant Receiver Isolation
dB
≥75
Output Impedance
Ω
75
Electrical control EQ range
dB
0~15 (1dB stepping)
Electrical control ATT range
dB
0~20 (1dB stepping)
Reverse Optical Transmit Part
Optical Parameters
Optical Transmit Wavelength
nm
1310±10, 1550±10 or specified by the user
Laser Type
DFB or FP laser
Output Optical Power
mW
1
Optical Connector Type
FC/APC, SC/APC or specified by the user
RF Parameters
Frequency Range
MHz
5 ~ 65 (or specified by the user)
Flatness in Band
dB
±0.75
Input Level
dBμV
72~ 85
Input Return Loss
dB
≥16
dB
≥60
Input Impedance
Ω
75
NPR dynamic range
dB
≥15 (NPR≥30 dB)
Use DFB laser
≥10 (NPR≥30 dB)
Use FP laser

RF Parameters of C-CMTS Interface
CMTS_DS
Level of Forward Insert Port
dBμV
≥102
CMTS_US
Gain of Reverse Output Port
dB
0±1
Port ~ CMTS_US output
Isolation (forward to CMTS_US reverse output port)
dB
≥70
General Performance
Power Voltage
V
A: AC (150~265)V; B: AC (35~90)V
A
10
Operating Temperature
-40~+60
Storage Temperature
-40~+70
Relative Humidity
%
Max 95% no condensation
Consumption
VA
≤ 70
Dimension
mm
360 (L)×330 (W)×155 (H)
Note: The forward RF indexes above are tested when adopt NEC module. Use other module; the indexes will be slightly different.
 
Block Diagram
 
Relation Table of Input Optical Power and CNR
 
Hangzhou OpticTrans Communication Tech. Co., LTD.
Copyright © 2011-2017 杭州奥全通信技术有限公司

工业和信息化部备案管理系统网站 浙ICP备11039329号-1

浙公网安备33010602005244号