DCM
 
 
Tel: +86-571-86625003
Email1: info@optictrans.com
Email2: kally@optictrans.com
WhatsApp: +86 13967163428
Skype: hightech086
 
 
Keyword:
 
  Products
OPR-1002JE FTTB 1GHz Outdoor Optical Receiver (Slim design)
   Content
Description
OPR-1002JE outdoor optical receiver is our latest 1GHz optical receiver. With wide range receiving optical power, high output level, low power consumption and compact structure, easy to install. It is the ideal equipment to build the high-performance NGB network.
 
(1) Adopt advanced optical AGC technique, optical AGC control range: +2dBm~-9/-8/-7dBm adjustable.
(4) Built-in the standard II class network management responder, support remote network management (optional).
(5) The optical output port and network management interface are external or internal (optional).
(6) Built-in high reliability low power consumption power supply.
 
Technical data
Item
Unit
Technical Parameters
Optical  Parameters
Receiving Optical Power
dBm
-9 ~ +2
Optical AGC Control Range
dBm
+2 ~ -9/-8/-7(adjustable)
Optical Return Loss
dB
>45
Optical Receiving Wave
nm
1100 ~ 1600
Optical Connector Type
 
SC/APC or specified by the user
Fiber Type
 
Single mode
Link  Performance
C/N
dB
≥ 51
EQ 8dB, Output level 108 dBμV (FZ110)
C/CTB
dB
≥ 67
C/CSO
dB
≥ 62
RF  Parameters
Frequency Range
MHz
45 ~862/1003
Flatness in Band
dB
±0.75
Rated Output Level
dBμV
≥ 108
Max Output Level
dBμV
≥ 112 (-9 ~ +2dBm Optical power receiving)
≥ 116 (-7 ~ +2dBm Optical power receiving)
Output Return Loss
dB
≥16
Output Impedance
Ω
75
Electrical control EQ range
dB
0~15
Electrical control ATT range
dBμV
0~15
General Characteristics
Power Voltage
V
A: AC(150~265)V   B: AC (35~90) V
Operating Temperature
-40~60
Consumption
VA
≤14
Dimension
 mm
220 (L)x 205(W)x 65(H)
Note: The forward RF indexes above are tested when adopt NEC module. Use other module; the indexes will be a little different.
 
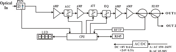
Block Diagram
Relation Table of Input Optical Power and CNR
 
Hangzhou OpticTrans Communication Tech. Co., LTD.
Copyright © 2011-2017 杭州奥全通信技术有限公司

工业和信息化部备案管理系统网站 浙ICP备11039329号-1

浙公网安备33010602005244号