DCM
 
 
Tel: +86-571-86625003
Email1: info@optictrans.com
Email2: kally@optictrans.com
WhatsApp: +86 13967163428
Skype: hightech086
 
 
Keyword:
 
  Products
OPR-8604DM 1004DM 4 ways Bi-directional Optical Receiver(RFOG mode optional)
   Content
Description
OPR-8604DM, OPR-1004DM is our new high-class 4-way output CATV network optical receiver. The pre-amplifier adopts all-GaAs MMIC, post-amplifier adopts GaAs module. Optimized circuit design coordinate with our 10 years design experience, the device achieve high performance index. The adjustment of RF attenuation and equalization both adopts fixed attenuator inserter that makes the engineering debug very convenience. It is the main products to build CATV network.
 
Performance feature
(1) High response PIN photoelectric conversion tube.
(2) 10 bar LED optical power instructions, more accurately display the optical power.
(3) Optimized circuit design, the pre-stage adopts SMT processing, while post-stage adopts module amplify typical circuit that makes the RF signal linear more prefect.
(4) The adjustment of RF attenuation and equalization both adopts fixed attenuator inserter; EQ position insert ATT inserter can change the equilibrium, so the engineering debug is very convenience.
(5) Double power output, high gain and low distortion.
(6) Optical AGC control, when input optical power is -7~+2dBm, the output level, CTB, CSO basically unchanged.
 
Technical data
Item
Unit
Technical Parameters
Forward  part
Optical  Parameters
Receiving Optical Power
dBm
-7 ~ +2
Optical Return Loss
dB
>45
Optical Receiving Wave
nm
1100 ~ 1600
Optical Connector Type
 
FC/APC, SC/APC or specified by the user
Fiber Type
 
Single Mode
Link Performance
C/N
dB
≥ 51 (-2dBm input)
C/CTB
dB
≥ 65
Output Level 108 dBμV
C/CSO
dB
≥ 60
Balanced 6dB
RF Parameters
Frequency Range
MHz
45 ~ 862/1003 (or specified by the user)
Flatness in Band
dB
±0.75
Fixed slope
dB
2±0.5
Rated Output Level
dBμV
≥ 108
Max Output Level
dBμV
≥ 112
Output Return Loss
dB
≥14
Output Impedance
Ω
75
Fixed ATT and EQ
(common use)
dB
2.3.4.5.6.7.9.13 (or specified by the user)
Reverse  Part
Optical  Parameters
Optical Transmit Wave
nm
1310±10, 1550±10 or specified by the user
Output Optical Power
mW
0.5, 1, 2
Optical Connector Type
 
FC/APC, SC/APC or specified by the user
RF  Parameters
Frequency Range
MHz
5 ~ 65 (or specified by the user)
Flatness in Band
dB
±1
Input Level
dBμV
72 ~ 85
Output Impedance
Ω
75
General Performance
Power Voltage
V
A: AC (150~265) V; B: AC (35~90) V
Operation Temperature
-40~60
Storage Temperature
-40~65
Relative Humidity
%
Max 95% non-condensing
Consumption
VA
≤ 30
Dimension
mm
240(L)x240(W)150(H)
Note: The forward RF parameters are tested under the condition of using GaAs 25dB double power module in the last stage. Use other module; the parameters will be slightly different.
 
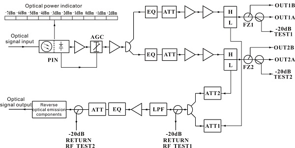
Block diagram
 
Relation Table of Input Optical Power and CNR
 
Hangzhou OpticTrans Communication Tech. Co., LTD.
Copyright © 2011-2017 杭州奥全通信技术有限公司

工业和信息化部备案管理系统网站 浙ICP备11039329号-1

浙公网安备33010602005244号