DCM
 
 
Tel: +86-571-86625003
Email1: info@optictrans.com
Email2: kally@optictrans.com
WhatsApp: +86 13967163428
Skype: hightech086
 
 
Keyword:
 
  Products
OPR-8408GD OPR-1008GD Outdoor 4ports Bidi AGC Optical Receiver
   Content
Features
1)      The housing adopts Aluminum die-casting tech, surface passivation, good for water-proof, cooling and anti-causticity
2)      Perfect flush suppress circuit improves the performance of anti-thunder and anti-flush
3)      Input stage adopts original low-noise GaAs amplify module, output stage adopts original power double module, perfect C/N and non-linearity index and high output level
4)      Strict reliability test, MTBF≥100000 hours
5)      RF output level is adjustable, slope adjustable.
6)      In order to prolong the lifetime of the digital display tube, the digital tube will work only after the receiver opened, Digital tube will stop working when cover of optical receiver is closed
7)      Microprocessor control working status, LED shows all parameters, convenience operation and high stability.
8)      Input power range is -7~+2dBm, the output level up to 110dBuV with AGC function, and C/N≥47dB
 
Technical parameters
Item
Unit
Technical Parameters
Forward  part
Optical  Parameters
Receiving Optical Power
dBm
-7 ~ +2
Optical Return Loss
dB
>45
Optical Receiving Wave
nm
1100 ~ 1600
Optical Connector Type
 
FC/APC, SC/APC or specified by the user
Fiber Type
 
Single Mode
Link Performance
C/N
dB
≥ 51 (-2dBm input)
C/CTB
dB
≥ 65
Output Level 110 dBμV
C/CSO
dB
≥ 60
Balanced 6dB
RF Parameters
Frequency Range
MHz
45 ~ 862/1003 (or specified by the user)
Flatness in Band
dB
±0.75
Fixed slope
dB
2±0.5
Rated Output Level
dBμV
≥ 110
Output Return Loss
dB
≥14
Output Impedance
Ω
75
Fixed ATT and EQ
dB
0~18
Reverse  Part
Optical  Parameters
Optical Transmit Wave
nm
1310±10, 1550±10 or specified by the user
Output Optical Power
mW
0.5, 1, 2
Optical Connector Type
 
FC/APC, SC/APC or specified by the user
RF  Parameters
Frequency Range
MHz
5 ~ 65 (or specified by the user)
Flatness in Band
dB
±1
Input Level
dBμV
72 ~ 85
Output Impedance
Ω
75
General Performance
Power Voltage
V
A: AC (150~265) V; B: AC (35~90) V
Operation Temperature
-40~60
Storage Temperature
-40~65
Relative Humidity
%
Max 95% non-condensing
Consumption
VA
≤ 30
Dimension
mm
240(L)x240(W)150(H)
 
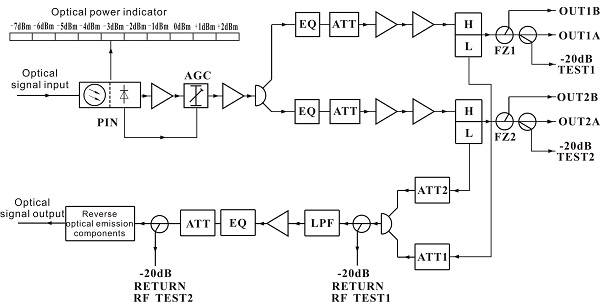
Block Diagram
 
Hangzhou OpticTrans Communication Tech. Co., LTD.
Copyright © 2011-2017 杭州奥全通信技术有限公司

工业和信息化部备案管理系统网站 浙ICP备11039329号-1

浙公网安备33010602005244号