DCM
 
 
Tel: +86-571-86625003
Email1: info@optictrans.com
Email2: kally@optictrans.com
WhatsApp: +86 13967163428
Skype: hightech086
 
 
Keyword:
 
  Products
OPR-1002JS FTTB AGC Optical Receiver (dual input)
   Content
Product Overview
OPR-1002JS field optical receiver is the latest 1GHz dual-way switch optical receiver with wide rang receiving optical power, high output level and low power consumption. It is the ideal equipment to build the high-performance NGB network.
 
Features
(1) Excellent optical AGC control technique, wide range AGC and the AGC start control point range is adjustable.
(2) Two-way optical signal received, back up each other, arbitrarily set the auto-switching conditions and can also be set to manual switch.
(3) Downlink working frequency extended to 1GHz, RF amplifier part adopts the high performance low power consumption GaAs chip, the highest output level up to 116dBuv.
(4) EQ and ATT both use the professional electric control circuit; make the control more accurate, operation more convenient.
(5) Built-in the national standard II class network management transponder, support remote network management (optional).
(6) Compact structure, convenient installation, is the first choice equipment of FTTB CATV network.
(7) Built-in high reliability low power consumption power supply.
 
Technique Parameters
Item
Unit
Technical Parameters
Optical Parameters
Receiving Optical Power
dBm
-9 ~ +2
Optical Return Loss
dB
>45
Optical Receiving Wavelength
nm
1100 ~ 1600
Optical Connector Type
 
SC/APC or specified by the user
Fiber Type
 
Single mode
Link Performance
C/N
dB
≥ 51
EQ 6dB, output level 108 dBμV (FZ110)
42-channel signal source input,-2dBm optical power received
C/CTB
dB
≥ 67
C/CSO
dB
≥ 62
RF Parameters
Frequency Range
MHz
45 ~860/1003
Flatness in Band
dB
±0.75
Rated Output Level
dBμV
≥ 108
Max Output Level
dBμV
≥ 112 (-9 ~ +2dBm optical power received)
≥ 116 (-7 ~ +2dBm optical power received)
Output Return Loss
dB
≥16
Output Impedance
Ω
75
Optical AGC range
dBm
(-9dBm/-8dBm/-7dBm)—(+2dBm) adjustable
Electric control EQ range
dB
0~15
Electric control ATT range
dBμV
0~15
Generic Characteristics
Power Voltage
V
A: AC (150~265) V   B: AC (35~90) V
Operating Temperature
-40~60
Consumption
VA
≤14
Dimension
 mm
235 (L) * 150 (W) * 108 (H)
 
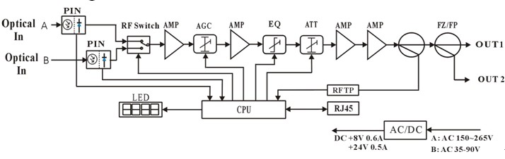
Block Diagram
 
Hangzhou OpticTrans Communication Tech. Co., LTD.
Copyright © 2011-2017 杭州奥全通信技术有限公司

工业和信息化部备案管理系统网站 浙ICP备11039329号-1

浙公网安备33010602005244号