DCM
 
 
Tel: +86-571-86625003
Email1: info@optictrans.com
Email2: kally@optictrans.com
WhatsApp: +86 13967163428
Skype: hightech086
 
 
Keyword:
 
  Products
OPR-2108G FTTB AGC Optical Receiver (SNMP optional)
   Content
Description
OPR-2108G optical receiver is the latest 1GHz FTTB optical receiver. With wide range receiving optical power, high output level and low power consumption. It is the ideal equipment to build the high-performance NGB network.
 
 
Features
1)      Excellent optical AGC control technique, when the input optical power range is -9~+2dBm, the output level, CTB and CSO basically unchanged;
 

Item
Unit
Technical Parameters
Optical  Parameters
Receiving Optical Power
dBm
-9 ~ +2
Optical Return Loss
dB
>45
Optical Receiving Wavelength
nm
1100 ~ 1600
Optical Connector Type
 
SC/APC or specified by the user
Fiber Type
 
Single mode
Link  Parameters
C/N
dB
≥ 51
Note 1
C/CTB
dB
≥ 60
C/CSO
dB
≥ 60
RF  Parameters
Frequency Range

     MHz

45 ~860/1003
Flatness in Band
dB
±0.75
 
 (FZ110 output)
(FP204 output)
Rated Output Level
dBμV
≥ 108
≥ 104
Max Output Level
dBμV
≥ 108 (-9 ~ +2dBm Optical power receiving)
≥ 104 (-9 ~ +2dBm Optical power receiving)
≥ 112 (-7 ~ +2dBm Optical power receiving)
≥ 108 (-7 ~ +2dBm Optical power receiving)
Output Return Loss
dB
≥16
Output Impedance
Ω
75
Optical AGC Range
dBm
(-9dBm/-8dBm/-7dBm/-6dBm/-5dBm/-4dBm)—(+2dBm) adjustable
Electrical control EQ range
dB
0~15
Electrical control ATT range
dBμV
0~15
General Characteristics
Power Voltage

       V

A: AC (150~265)V
D: DC 12V/1A External power supply
Operating Temperature
-40~60
Consumption
VA
≤ 8
Dimension
 mm
190 (L)* 110 (W)* 52 (H)

Test Condition:
 Configure 59 PAL-D analog channel signals at the 550MHz frequency range. Transmit digital signal at the frequency range of 550MHz~862MHz. The digital signal level (in 8 MHz bandwidth) is 10dB lower than analog signal carrier level. When the input optical power of the optical receiver is -1dBm, the output level: 108dBμV, EQ: 8dB.
 
 
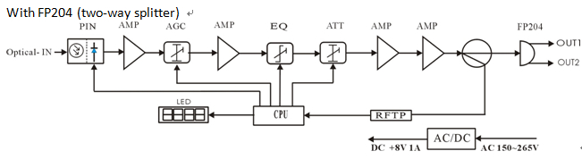
Block Diagram
 
Hangzhou OpticTrans Communication Tech. Co., LTD.
Copyright © 2011-2017 杭州奥全通信技术有限公司

工业和信息化部备案管理系统网站 浙ICP备11039329号-1

浙公网安备33010602005244号