DCM
 
 
Tel: +86-571-86625003
Email1: info@optictrans.com
Email2: kally@optictrans.com
WhatsApp: +86 13967163428
Skype: hightech086
 
 
Keyword:
 
  Products
OPCA-1300CEAM Outdoor Modular Bi-directional Amplifier
   Content
Description
OPCA-1300CEAM series outdoor bi-directional trunk amplifier is the new developed high-gain amplifier. Mature and optimized circuit design, scientific and reasonable internal process and high quality materials, ensure the stable gain and low distortion. It is the best choice for building large or middle-sized CATV bi-directional transmission network.
 
Product feature
(1) The forward path preceding stage adopts the newest high index imported low noise push-pull amplifier module or GaAs push-pull module, output stage adopts the newest high index imported power doubly amplifier module or GaAs amplifier module. The nonlinear index is good and output level is more stable. The return path adopts the newest high index imported return dedicated amplifier module. The distortion is low and the signal to noise ratio is high.
(2) It is more convenient to debug because of the plug-in duplex filter, plug-in fixed (or adjustable) equalizer and attenuator, and the scientific and reasonable on-line detection ports.
(3) The equipment can long time continuous work steadily under outdoor bad environmental condition. Because of the aluminum waterproof housing, high reliability switching power supply and strict lightning protection system.
(4) The shell adopts embedded modular design; equipment maintenance, replacement, and debugging are convenient.
 
Technical data
Item
Unit
Technical Parameters
Forward Path
Frequency range
MHz
47/54/85-862/1003
Rated gain
dB
30
34
36
38
40
Minimum full gain
dB
≥30
≥34
≥36
≥38
≥40
Rated input level
dBμV
72
Rated output level
dBμV
108
Flatness in band
dB
±0.75
Noise figure
dB
≤10
Return loss
dB
≥16
Attenuation
dB
1-18 (Fixed insert,1dB stepping) (Specify to user)
Equilibrium
dB
1-15 (Fixed insert,1dB stepping) (Specify to user)
C/CTB
dB
65 (Test: 79 channels, output level: 85/550/860MHz)
C/CSO
dB
63
99/105/108 dBuV
Group delay
ns
≤10  (112.25 MHz/116.68 MHz)
AC hum modulation
%
< 2%
Gain stability
dB
-1.0 ~ +1.0
Return Path
Frequency range
MHz
5 ~ 30/42/65
Rated gain
dB
≥20
Minimum full gain
dB
≥22
Maximum output level
dBμV
≥ 110
Flatness in band
dB
±0.75
Noise figure
dB
≤ 12
Return loss
dB
≥ 16
Carrier to second-order inter-modulation ratio
dB
≥ 52
Test Condition: Output level  110dBuV, test points: F1=10MHz,f2=60MHz,f3=f2-f1=50MHz
Group delay
ns
≤ 20 (57MHz/59MHz)
AC hum modulation
%
< 2%
General Performance
Characteristic impedance
Ω
75
Test port
dB
-20±1
Power supply voltage
V
A:AC (135 ~ 250) V; or B:AC(35 ~ 90) V
Impulse withstand voltage(10/700μs)
kV
> 5
Power consumption
W
29
Dimension
mm
295 (L) × 210 (W) × 150 (H)
Note: Different modules, different parameters.
 
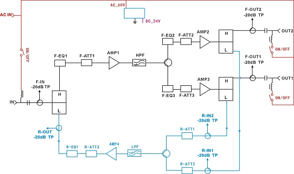
Block Diagram
 
 
Hangzhou OpticTrans Communication Tech. Co., LTD.
Copyright © 2011-2017 杭州奥全通信技术有限公司

工业和信息化部备案管理系统网站 浙ICP备11039329号-1

浙公网安备33010602005244号