DCM
 
 
Tel: +86-571-86625003
Email1: info@optictrans.com
Email2: kally@optictrans.com
WhatsApp: +86 13967163428
Skype: hightech086
 
 
Keyword:
 
  Products
OPCA-8630L Indoor Bi-directional Mini Amplifier
   Content
Description
Adopt SOT-115 encapsulate CATV dedication RF module in forward path and low-noise micro push-pull circuit in return path. Have good index, small consumption, high reliability and performance to price ratio, suitable for medium and small CATV bi-directional network.
 
Feature
(1) Adopt low-noise micro tube circuit or SOT-115 encapsulate CATV dedication RF module in forward path, steady output level, well Non-linear; adopt low-noise micro tube push-pull circuit in reverse path, small distortion and high signal to noise ratio.
(2) Plug-in dual-filter and fixed (or VAR) equalizer and attenuator, plug-in output tap, science detector is rational, testing conveniently.
(3) Waterproof cast-aluminum shell, high-reliable power switching, tight anti-thunder system; have guaranteed that the equipment can work steadily in succession for a long time in the abominable environment of field.
 
Parameter
Unit
OPCA-8630L
Forward Path
Frequency Range
MHz
(47) 87~860
Rated Gain
dB
30
Min Fill Gain
dB
≥30
Rated Input Level
dBμV
70±2
Rated Output Level
dBμV
102
Flatness in Band
dB
±1
Noise Figure
dB
≤10
Return Loss
dB
≥14
C/CTB (84 PAL-D)
dB
≥58
C/CSO (84PAL-D)
dB
≥56
Carrier to Alternative noise ratio
%
≤2
Gain Stability
dB
≤± 1.0
Voltage Stroke
KV
5
Return Path
Frequency Range
MHz
5~(30)65 (or specified by user)
Rated Gain
dB
15
Flatness In Band
dB
±1
Noise Figure
dB
≤12
Return Loss
dB
≥16
MAX Output Level
dBμV
≥110
CSO inter-modulation ratio
dB
≥52
Carrier to Alternative noise ratio
%
≤2
General Response
Power Voltage(50Hz)
V
A:AC (165~250)V ;B: AC(35~60)V
Power consumption
VA
8
Impulse Resisting Voltage
Kv
>5
Dimension
mm
178x100x55
 
Test condition
At the range of 750MHz (112.25~743.25MHz) when testing the C/CTB and C/CSO, set 79 PAL-D imitate TV channels signal. Set 93PAL-D imitate TV channels signal at the range of 862MHz (112.25~855.25MHz).Choose f1=65MHz, f2=63MHz and f3=57MHz to test when measuring index of max output level in up go transmission. The index of “Carrier to Second Order Inter-modulation Ratio” is tested under the condition of 110dBuV output level, and choose f1=10MHz, f2=60MHz and f3=50MHz three point to test.
 
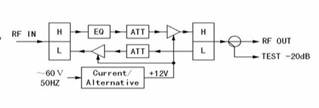
Block Diagram
 
Hangzhou OpticTrans Communication Tech. Co., LTD.
Copyright © 2011-2017 杭州奥全通信技术有限公司

工业和信息化部备案管理系统网站 浙ICP备11039329号-1

浙公网安备33010602005244号